SCHNEIDER ELECTRIC - SNR28908 Interruttore / sezionatore Compact INS100 - 100 A - 3 poli

Accedi per visualizzare prezzi e disponibilità
Caratteristiche principali
Corrente ininterrotta nominale Iu - 100 A
Numero di poli - 3
Tipo di elemento di controllo - Manopola a leva lunga
Idoneo per fissaggio a pavimento - sì
Idoneo per montaggio su guida DIN - sì
Confezione
1 PZ
Serie di prodotti
Compact INS
Vedi tutti i prodotti di questa serieEAN
3303430289081
Codice prodotto
SNR28908
Cod. produttore
28908
Produttore
SNR
Corrente ininterrotta nominale Iu:
100 A
Numero di poli:
3
Tipo di elemento di controllo:
Manopola a leva lunga
Idoneo per fissaggio a pavimento:
sì
Idoneo per montaggio su guida DIN:
sì
Grado di protezione IP frontale:
IP40
Tensione di esercizio nominale massima Ue in AC:
750 V
Tipo di connessione al circuito di corrente principale:
Connessione a vite
Potenza di esercizio nominale in AC-23, 400 V:
45 kW
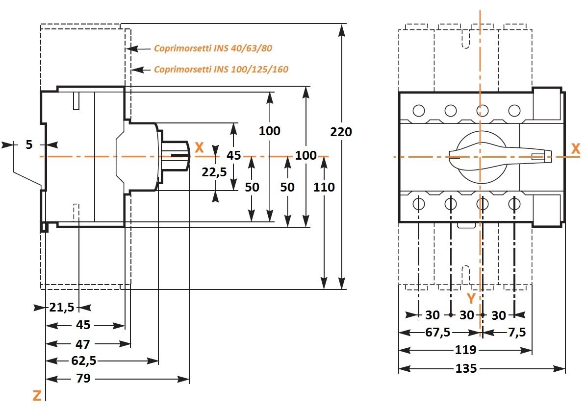
Compact INS100 è un interruttore-sezionatore non automatico a 3 poli con maniglia rotativa nera. È adatto all'isolamento con sezionamento visualizzato, come definito dalle norme IEC 60947-1 e IEC60947-3. La corrente di funzionamento è 100A a 415VAC nellecategorie AC22A e AC23A. La tensione nominale è 690VAC 50/60Hz o 250VDC. La maniglia rotativa nera è progettata per offrire un'ottima manovrabilità e prestazioni elevate in caso di interruzione delle correnti. Compact INS100 è un dispositivo con isolamento frontale in classe II in conformità con la norma IEC 60664.
