ALPHA ELETTRONICA SR - ALP330-064-1-N1 Interruttore antivandalo ø19mm bistabile luminoso - 24V - 1P - SPDT - ON/ON - 5 term. a saldare

Accedi per visualizzare prezzi e disponibilità
Confezione
1 PZ
EAN
8017443632684
Codice prodotto
ALP330-064-1-N1
Cod. produttore
330-064-1-N1
Produttore
ALP
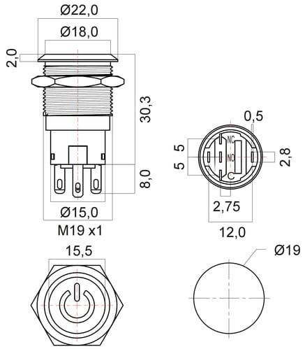
* Nota 5A@250Vac/dc con l'utilizzo del connettore 330-066-SO ** Caratteristiche Generali ** Attuatore: Pulsante antivandalo Serie: Antivandalo Forma dell'attuatore: Convesso Serigrafia: ON/OFF Luminoso: si Colore illuminazione: Rosso Tensione illuminazione: 24Vac/dc Colore: Nero Materiale attuatore: Acciaio Tipi contatti: SPDT Portata: 5A@36Vac/dc N. poli: 1 Stato dei contatti: ON/ON Tipo terminale: a saldare N. terminali: 5 Montaggio: Pannello con dado Foro fissaggio: ø19mm Grado di protezione: IP67 Temperatura di lavoro: -20 / 55°C







