BFT - BFT2601343 PILLAR B 275/800.10C L SD

Accedi per visualizzare prezzi e disponibilità
Confezione
1 PZ
EAN
8027908517258
Codice prodotto
BFT2601343
Cod. produttore
2601343
Produttore
SFY
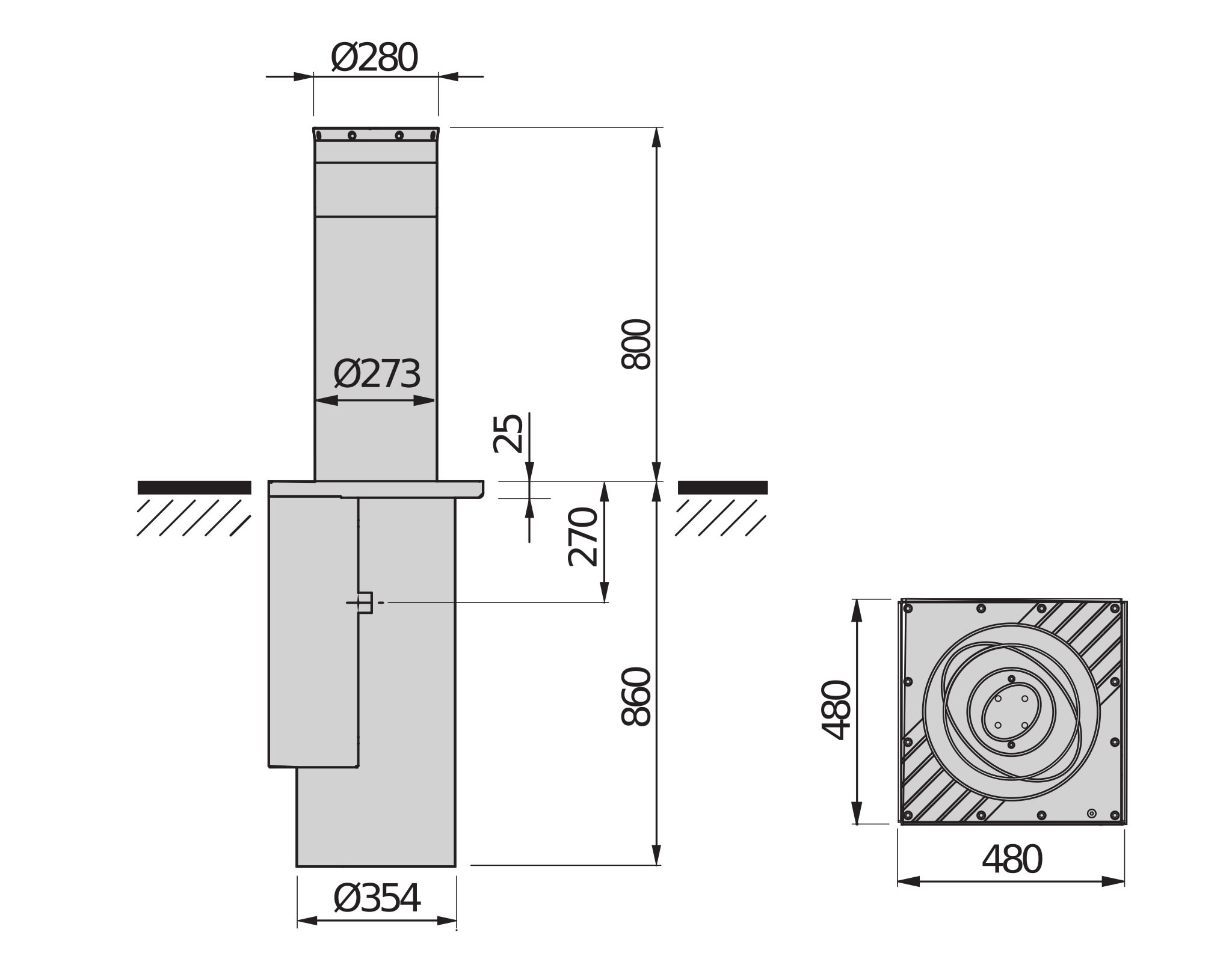
Dissuasore idraulico 230 V, altezza stelo 800 mm e diametro 273 mm. Cappello luci a led e fascia adesiva H: 100 mm omologata. In caso di blackout lo stelo rimane alzato. Versione acciaio verniciato RAL 7015. Cassa di fondazione inclusa.
Consigliata - PERSEO CBE 230.P SD - D113812 00002
Consigliata - PERSEO CBE 230.P SD - D113812 00002