BREMAS ERSCE - BRMCA01600G3BL6 V2 INTERRUTTORE TRIPOLARE

Accedi per visualizzare prezzi e disponibilità
Caratteristiche principali
Tipologia - Interruttore on/off
Numero di poli - 3
Con posizione zero (off) - sì
Corrente nominale permanente Iu - 16 A
Potenza d'esercizio nominale per AC-3, 400 V - 5.5 kW
Confezione
1 PZ
Serie di prodotti
Serie CA
EAN
8007951805373
Codice prodotto
BRMCA01600G3BL6
Cod. produttore
CA01600G3BL6
Produttore
BRM
Tipologia:
Interruttore on/off
Numero di poli:
3
Con posizione zero (off):
sì
Corrente nominale permanente Iu:
16 A
Potenza d'esercizio nominale per AC-3, 400 V:
5.5 kW
Grado di protezione (IP), lato frontale:
IP65
Adatto per montaggio a pavimento:
sì
Adatto per montaggio distributore:
sì
Apparecchio completo nella cassa:
no
Tipologia di azionamento:
Manetta
Tipo di collegamento circuito elettrico principale:
Raccordo a vite
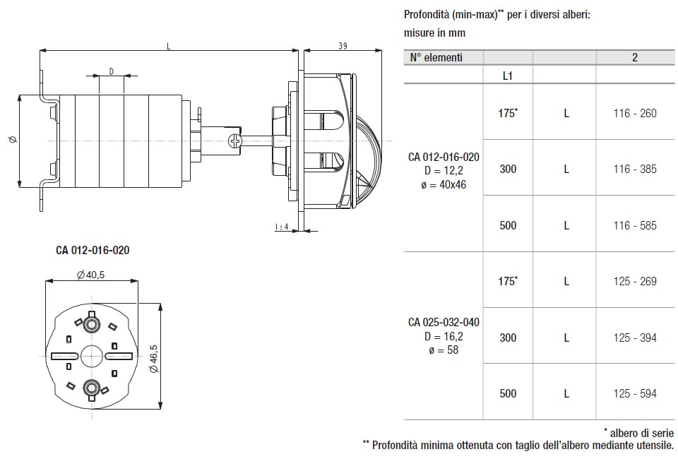
Interruttore scatto a 90° con finitura lucchettabile, montaggio fondoquadro (fornito con prolunga d'albero standard da 175mm) con viti o su guida DIN, mostrina gialla 67x67mm, manopola rossa lucchettabile con 3 lucchetti, IP65


