CARLO GAVAZZI - GAVRM1A40D75 RELE STAT. MONOF.A PASS.DI ZERO

Accedi per visualizzare prezzi e disponibilità
Caratteristiche principali
Corrente nominale di impiego Ie in AC-1 - 75 A
Numero di fasi - 1
Adatto per montaggio modulare - sì
Confezione
1 PZ
EAN
8001021576804
Codice prodotto
GAVRM1A40D75
Cod. produttore
RM1A40D75
Produttore
GAV
Corrente nominale di impiego Ie in AC-1:
75 A
Numero di fasi:
1
Adatto per montaggio modulare:
sì
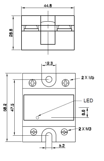
Relè a stato solido monofase, montaggio da retroquadro, indicazione a LED, protezione IP20, CA. Isolamento > 4000 Vrms. • Dimensioni (HxLxP): 58,2x44,8x28,8 mm • Varistore integrato.
