CONCHIGLIA - CON095719126 SCM86/Y12 SERRATURA

Accedi per visualizzare prezzi e disponibilità
Caratteristiche principali
Manetta - no
Tipo di chiusura - Cilindro
Confezione
1 PZ
Serie di prodotti
EAN
8054684020146
Codice prodotto
CON095719126
Cod. produttore
095719126
Produttore
DKC
Manetta:
no
Tipo di chiusura:
Cilindro
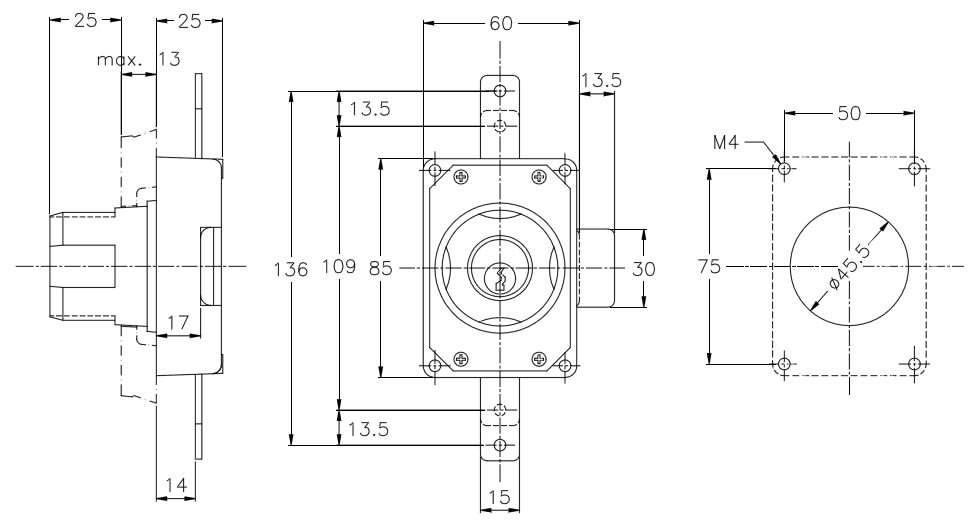
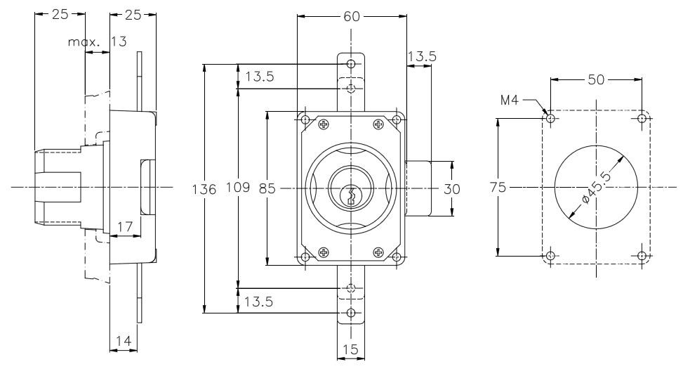
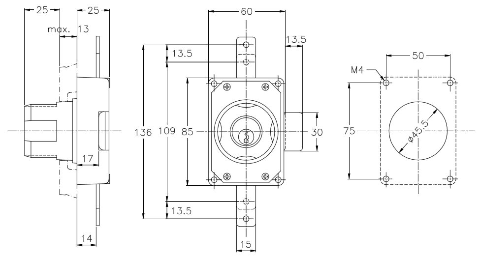
Materiali: Componenti stampanti in resina poliammidica rinforzata con fibre di vetro. Cilindro/rotore in ottone. Caratteristiche: Funzionamento tipo cremonese in 3 punti. Ogni serratura è corredata della propria chiave di serie. Le serrature serie SCS-SCM sono utilizzabili esclusivamente con armadi serie CV in esecuzione senza serratura (WL – WLP). Nelle esecuzioni standard, tutti gli armadi e sopralzi sono completi di serratura con leva a scomparsa agibili con chiave a cifratura Y21 per gli armadi ad un vano – Y21 inferiore, Y12 superiore per gli armadi a 2 vani. Sugli armadi in esecuzione standard non possono essere impiegate le serrature serie SCS – SCM.
