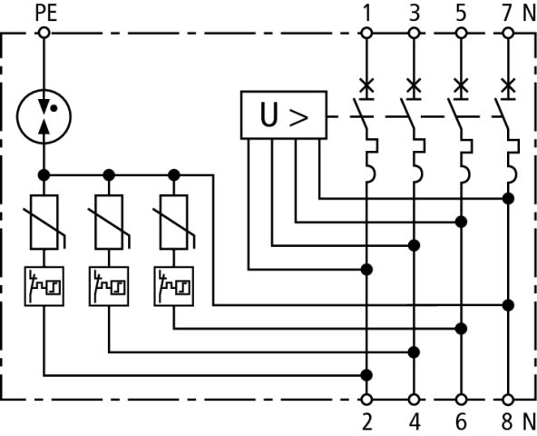
DEHN ITALIA SPA - DEH900785 Dispositivo di protezione da sovratensio ni con interruttori magnetotermici e SPD

Accedi per visualizzare prezzi e disponibilità
Caratteristiche principali
C2 Corrente impulsiva nominale di scarica (8/20) - 5 kA
Livello di protezione - 1.5 kV
Metodo di montaggio - Guida DIN 35mm
Tensione nominale AC - 230 V
Tensione massima continuativa AC - 275 V
Confezione
1 PZ
EAN
4013364156234
Codice prodotto
DEH900785
Cod. produttore
900785
Produttore
DEH
C2 Corrente impulsiva nominale di scarica (8/20):
5 kA
Livello di protezione:
1.5 kV
Metodo di montaggio:
Guida DIN 35mm
Tensione nominale AC:
230 V
Tensione massima continuativa AC:
275 V
Dimensione / Misura:
Distanziale modulare 7 TE
Classe di prova tipo 2:
sì
Segnalazione su apparecchio:
Ottico
Max. Sezione conduttore flessibile (capillare):
16 mm²
Max. Sezione conduttore rigido (rigido, semirigido):
25 mm²
Grado di protezione (IP):
IP20
Unità completa precablata, non è necessario nessun cablaggio supplementare dei singoli dispositivi. Soddisfa i requisiti della CEI EN 50550 (CEI 23-118) "dispositivi di protezione contro le tensioni frequenti di rete". Elevata sicurezza dei dispositivi per mezzo del controllo del dispositivo "Thermo-Dynamik-Control". Per la protezione di impianti elettrici utilizzatori in bassa tensione da tensioni transitorie e temporanee (SPD+POP). Per l'impiego nel concetto di protezione da fulminazione a zone sulle interfacce 0B-1 e superiori.


