DEHN ITALIA SPA - DEH900785 POP+MCB+SPD 4 255 C25

Accedi per visualizzare prezzi e disponibilità
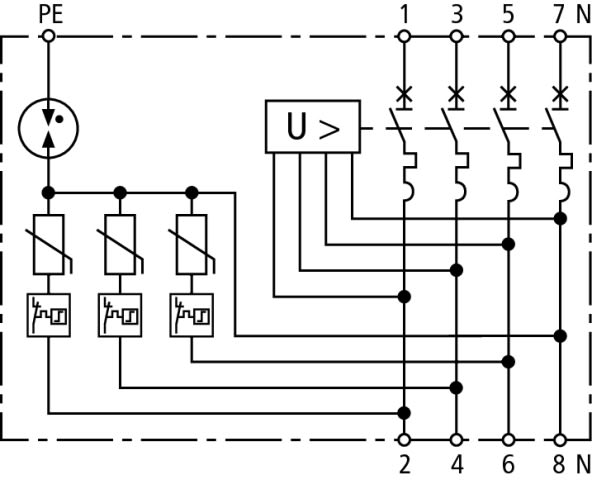
Caratteristiche principali
Corrente impulsiva di dispersione nominale (8/20) - 5 kA
Tensione nominale AC - 230 V
Tensione permanente AC max. - 275 V
Livello di protezione - 1.5 kV
Tipo di montaggio - Guida DIN (top hat rail) 35 mm
Confezione
1 PZ
EAN
4013364156234
Codice prodotto
DEH900785
Cod. produttore
900785
Produttore
DEH
Corrente impulsiva di dispersione nominale (8/20):
5 kA
Tensione nominale AC:
230 V
Tensione permanente AC max.:
275 V
Livello di protezione:
1.5 kV
Tipo di montaggio:
Guida DIN (top hat rail) 35 mm
Dimensione:
7 UM
Sezione max. del conduttore rigido (uni-/multifilare):
25 mm²
Sezione max. del conduttore flessibile (a filo sottile):
16 mm²
Segnalazione nell'apparecchio:
Ottico
Classe di prova tipo 2:
sì
Grado di protezione (IP):
IP20
Unità completa precablata, non è necessario nessun cablaggio supplementare dei singoli dispositivi. Soddisfa i requisiti della CEI EN 50550 (CEI 23-118) "dispositivi di protezione contro le tensioni frequenti di rete". Elevata sicurezza dei dispositivi per mezzo del controllo del dispositivo "Thermo-Dynamik-Control". Per la protezione di impianti elettrici utilizzatori in bassa tensione da tensioni transitorie e temporanee (SPD+POP). Per l'impiego nel concetto di protezione da fulminazione a zone sulle interfacce 0B-1 e superiori.


