DEHN ITALIA SPA - DEH907430 Limitarore di sovratensione DEHNrapid LSA spina di protezione per 1 coppia di fili Un 180V

Accedi per visualizzare prezzi e disponibilità
Caratteristiche principali
C2 Corrente impulsiva nominale di scarica (8/20) - 10 kA
Tensione massima continuativa AC - 127 V
Tensione massima continuativa DC - 180 V
Corrente impulsiva di fulmine (10/350) - 5 kA
Corrente nominale di carico - 0.1 A
Confezione
1 PZ
EAN
4013364107670
Codice prodotto
DEH907430
Cod. produttore
907430
Produttore
DEH
C2 Corrente impulsiva nominale di scarica (8/20):
10 kA
Tensione massima continuativa AC:
127 V
Tensione massima continuativa DC:
180 V
Corrente impulsiva di fulmine (10/350):
5 kA
Corrente nominale di carico:
0.1 A
Livello di protezione filo conduttore/filo conduttore:
270 V
Frequenza di taglio:
61 MHz
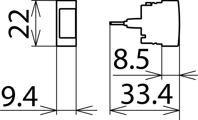
Metodo di montaggio:
Spina LSA-Plus
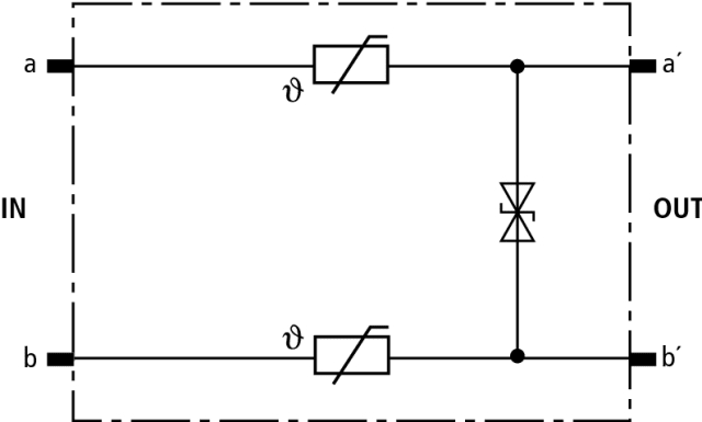
Spina di protezione a un gradino per 1 coppia, coordinata energeticamente al blocco DRL. Livello di protezione filo-filo basso e protezione da sovracorrente per ADSL, ISDN Uk0 oppure fili analogici a/b. Montaggio con EF 10 DRL. Installazione consigliata solamente in abbinamento al blocco DRL.


