DEHN ITALIA SPA - DEH923242 STAFFA DI COLLEGAMENTO AB EXFS IF3 G 42

Accedi per visualizzare prezzi e disponibilità
Caratteristiche principali
Tipo di accessorio/parte di ricambio - Staffa di montaggio
Accessorio - sì
Parte di ricambio - no
Confezione
1 PZ
EAN
4013364150997
Codice prodotto
DEH923242
Cod. produttore
923242
Produttore
DEH
Tipo di accessorio/parte di ricambio:
Staffa di montaggio
Accessorio:
sì
Parte di ricambio:
no
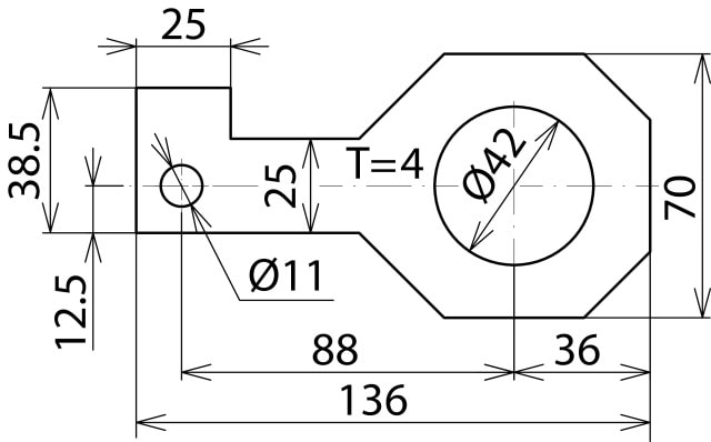
Staffa di collegamento diritta per EXFS. Il diametro corrisponde al diametro del perno di avvitamento della flangia.

