DEHN ITALIA SPA - DEH924395 SPD T3 1P+N VOLANTE DFL D 255

Accedi per visualizzare prezzi e disponibilità
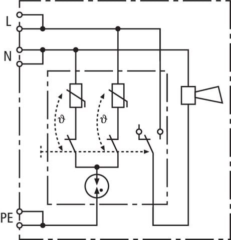
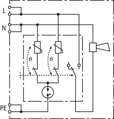
Caratteristiche principali
Tensione nominale AC - 230 V
Tensione permanente AC max. - 255 V
Corrente di carico nominale - 16 A
Corrente impulsiva di dispersione nominale (8/20) (L-N) - 3 kA
Corrente impulsiva di dispersione nominale (8/20) (L+N-PE) - 5 kA
Confezione
1 PZ
EAN
4013364076334
Codice prodotto
DEH924395
Cod. produttore
924395
Produttore
DEH
Tensione nominale AC:
230 V
Tensione permanente AC max.:
255 V
Corrente di carico nominale:
16 A
Corrente impulsiva di dispersione nominale (8/20) (L-N):
3 kA
Corrente impulsiva di dispersione nominale (8/20) (L+N-PE):
5 kA
Livello di protezione L-N:
1.25 kV
Livello di protezione L-PE/N-PE:
1.5 kV
Numero di poli:
2
Tipo di montaggio:
Installazione canale
Con contatto telecomunicazioni:
no
Segnalazione nell'apparecchio:
Acustico
Classe di prova tipo 3:
sì
Grado di protezione (IP):
IP20


