DEHN ITALIA SPA - DEH929161 SPD DATI CAT.6A 500 MHZ CONNETTORE RJ45

Accedi per visualizzare prezzi e disponibilità
Confezione
1 PZ
EAN
4013364472921
Codice prodotto
DEH929161
Cod. produttore
929161
Produttore
DEH
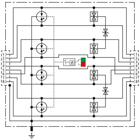
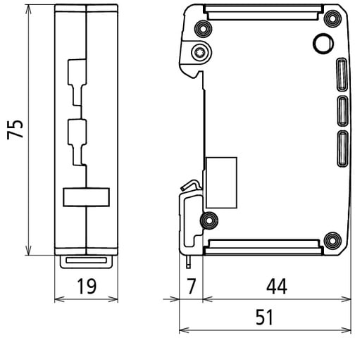
Scaricatore combinato universale salvaspazio con larghezza d?installazione di 19 mm e tecnologia di connessione RJ45 con indicatore di stato per una facile manutenzione. Protezione di applicazioni in cablaggi strutturati secondo la classe EA fino a 500 Mhz, ad es. pathcord per Ethernet, distributore di dati, sistemi di telecamere digitali a circuito chiuso, Power over Ethernet (IEEE 802.3 conforme fino a 4PPoE) e in generale interfacce basate su Ethernet. Protezione di tutti i doppini tramite potenti spinterometri a gas e diodi di protezione tra i conduttori di segnale e tra i doppini. Adattatore in versione completamente schermata con prese di collegamento RJ45 per il montaggio su montaggio su guida DIN. Con collegamento a vite aggiuntivo lato alloggiamento per un collegamento di terra ottimale.


