DEHN ITALIA SPA - DEH941305 SPD T1+2 3P MONOBLOCCO CON CONTATTO

Accedi per visualizzare prezzi e disponibilità
Caratteristiche principali
Forma della rete DC - no
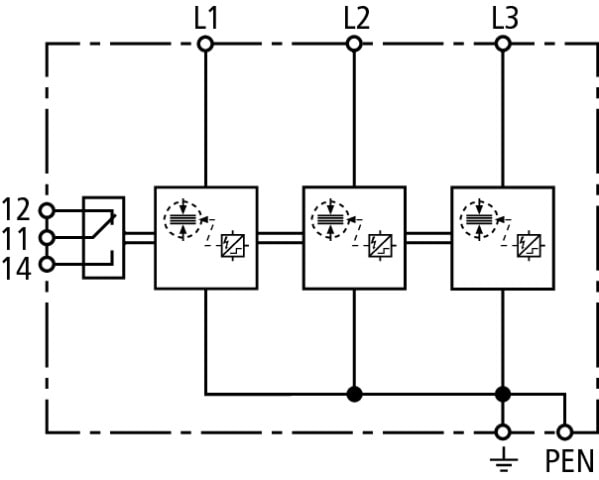
Forma della rete TN-C - sì
Numero di poli - 3
corrente impulsiva (10/350) - 37.5 kA
Tensione permanente AC max. - 255 V
Confezione
1 PZ
EAN
4013364275317
Codice prodotto
DEH941305
Cod. produttore
941305
Produttore
DEH
Forma della rete DC:
no
Forma della rete TN-C:
sì
Numero di poli:
3
corrente impulsiva (10/350):
37.5 kA
Tensione permanente AC max.:
255 V
Tensione nominale AC:
230 V
Livello di protezione:
1.5 kV
Capacità di estinzione della corrente successiva:
25 kA
Energia specifica (W/R):
352 kJ/Ohm
Tipo di montaggio:
Guida DIN (top hat rail) 35 mm
Dimensione:
4 UM
Sezione max. del conduttore rigido (uni-/multifilare):
35 mm²
Sezione max. del conduttore flessibile (a filo sottile):
25 mm²
Segnalazione a distanza:
sì
Segnalazione nell'apparecchio:
Ottico
Classe di prova:
Tipo 1 e 2
Effetto di protezione energetico coordinato per dispositivo terminale:
sì
Grado di protezione (IP):
IP20


