DEHN ITALIA SPA - DEH942405 SPD T2 2P A CARTUCCE CON CONTATTO PUSH-I

Accedi per visualizzare prezzi e disponibilità
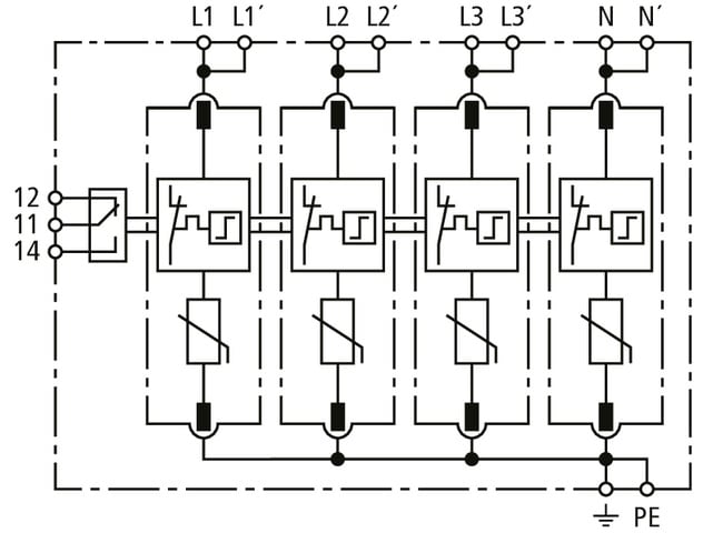
Caratteristiche principali
Forma della rete DC - no
Forma della rete IT - no
Forma della rete TN - no
Forma della rete TN-C - no
Forma della rete TN-C-S - no
Confezione
1 PZ
EAN
4013364477124
Codice prodotto
DEH942405
Cod. produttore
942405
Produttore
DEH
Forma della rete DC:
no
Forma della rete IT:
no
Forma della rete TN:
no
Forma della rete TN-C:
no
Forma della rete TN-C-S:
no
Forma della rete TN-S:
sì
Forma della rete TT:
no
Altre forme della rete:
no
Numero di conduttori (esclusa terra):
4
Corrente impulsiva di dispersione nominale (8/20):
20 kA
Max. corrente di scarica (8/20):
40 kA
Tensione nominale AC:
230 V
Tensione permanente AC max.:
275 V
Livello di protezione:
1.5 kV
Livello di protezione N-PE:
1.5 kV
Max. dispositivo protezione sovracorrente, collegamento in parallelo (fusibile):
125 A
Max. dispositivo protezione da sovracorrente, collegamento in serie (fusibile):
40 A
Resistenza di cortocircuito (Isccr):
50 kA
Protezione da cortocircuito integrata:
no
Fusibile ausiliario integrato:
no
Assenza di correnti di dispersione:
no
Tipo di montaggio:
Guida DIN (top hat rail) 35 mm
Dimensione:
4 UM
Sezione max. del conduttore rigido (uni-/multifilare):
10 mm²
Sezione max. del conduttore flessibile (a filo sottile):
10 mm²
Con contatto telecomunicazioni:
sì
Segnalazione nell'apparecchio:
Ottico
Classe di prova tipo 2:
sì
Grado di protezione (IP):
IP20


