DEHN ITALIA SPA - DEH952185 DEHNguard DG M H TT 2P 275 FM

Accedi per visualizzare prezzi e disponibilità
Confezione
1 PZ
EAN
4013364318151
Codice prodotto
DEH952185
Cod. produttore
952185
Produttore
DEH
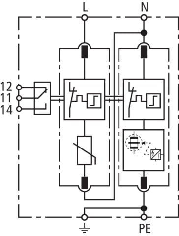
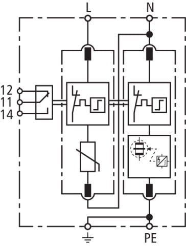
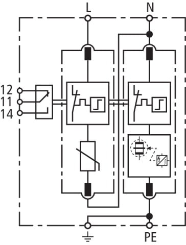
Limitatore di sovratensione multipolare, DEHNguard M, Tipo 2 secondo EN 61643-11, avec haute capacite d'ecoulement consiste in un elemento base e moduli di protezione innestabili. Elevata sicurezza tramite dispositivo di controllo "Thermo- Dynamik-Control". Per la protezione da sovratensioni di impianti elettrici utilizzatori in bassa tensione. Per l'impiego nel concetto di protezione da fulminazione a zone, ai passaggi 0B ? 1 e maggiori.


