DEHN ITALIA SPA - DEH953228 SPD T3 1P+N 255V SN1802

Accedi per visualizzare prezzi e disponibilità
Caratteristiche principali
Tensione nominale AC - 230 V
Tensione permanente AC max. - 255 V
Tensione permanente DC max. - 255 V
Corrente impulsiva di dispersione nominale (8/20) (L-N) - 3 kA
Corrente impulsiva di dispersione nominale (8/20) (L+N-PE) - 5 kA
Confezione
1 PZ
EAN
4013364158986
Codice prodotto
DEH953228
Cod. produttore
953228
Produttore
DEH
Tensione nominale AC:
230 V
Tensione permanente AC max.:
255 V
Tensione permanente DC max.:
255 V
Corrente impulsiva di dispersione nominale (8/20) (L-N):
3 kA
Corrente impulsiva di dispersione nominale (8/20) (L+N-PE):
5 kA
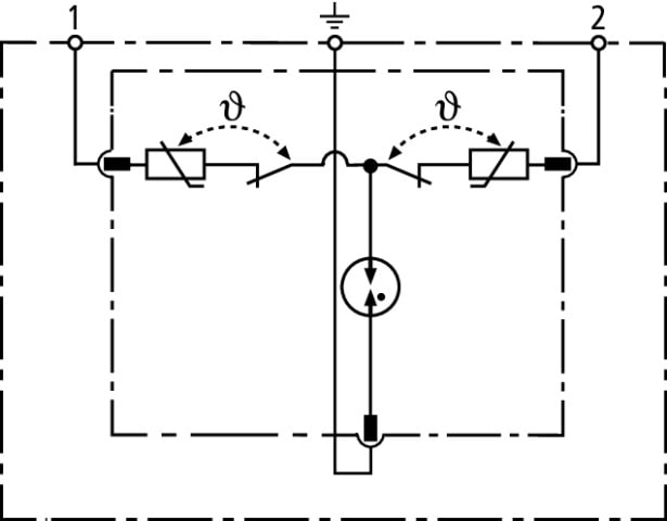
Livello di protezione L-N:
1.25 kV
Livello di protezione L-PE/N-PE:
1.5 kV
Numero di poli:
2
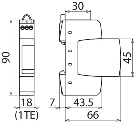
Tipo di montaggio:
Guida DIN (top hat rail) 35 mm
Sezione max. del conduttore rigido (uni-/multifilare):
4 mm²
Sezione max. del conduttore flessibile (a filo sottile):
2.5 mm²
Segnalazione nell'apparecchio:
Ottico
Classe di prova tipo 3:
sì
Grado di protezione (IP):
IP20


