DEHN ITALIA SPA - DEH971226 SPD T1 2P DC 60V CON FM DSE M 2P 60 FM

Accedi per visualizzare prezzi e disponibilità
Caratteristiche principali
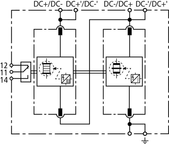
Forma della rete DC - sì
Forma della rete IT - no
Numero di conduttori (esclusa terra) - 2
corrente impulsiva (10/350) - 25 kA
Tensione permanente DC max. - 60 V
Confezione
1 PZ
EAN
4013364138629
Codice prodotto
DEH971226
Cod. produttore
971226
Produttore
DEH
Forma della rete DC:
sì
Forma della rete IT:
no
Numero di conduttori (esclusa terra):
2
corrente impulsiva (10/350):
25 kA
Tensione permanente DC max.:
60 V
Livello di protezione:
1.5 kV
Energia specifica (W/R):
156.25 kJ/Ohm
Tipo di montaggio:
Guida DIN (top hat rail) 35 mm
Dimensione:
4 UM
Sezione max. del conduttore rigido (uni-/multifilare):
50 mm²
Sezione max. del conduttore flessibile (a filo sottile):
35 mm²
Con contatto telecomunicazioni:
sì
Soffiante:
no
Segnalazione nell'apparecchio:
Ottico
Classe di prova tipo 1:
sì
Grado di protezione (IP):
IP20


