EATON - EAO216535 M22-I1 CUSTODIA 1 FORO, NERO /GRIGIO

Accedi per visualizzare prezzi e disponibilità
Caratteristiche principali
Numero di punti di comando - 1
Forma della scatola - Scatola per montaggio sporgente
Materiale del corpo - Plastica
Grado di qualità alloggiamento materiale - Altro
Diametro delle aperture - 22.5 mm
Confezione
1 PZ
Classificazione green
Serie di prodotti
RMQ-Titan
EAN
4015082165352
Codice prodotto
EAO216535
Cod. produttore
216535
Produttore
EAO
Numero di punti di comando:
1
Forma della scatola:
Scatola per montaggio sporgente
Materiale del corpo:
Plastica
Grado di qualità alloggiamento materiale:
Altro
Diametro delle aperture:
22.5 mm
Colore parte superiore scatola:
Grigio
Grado di protezione (IP):
IP67/IP69K
Grado di protezione (NEMA):
12
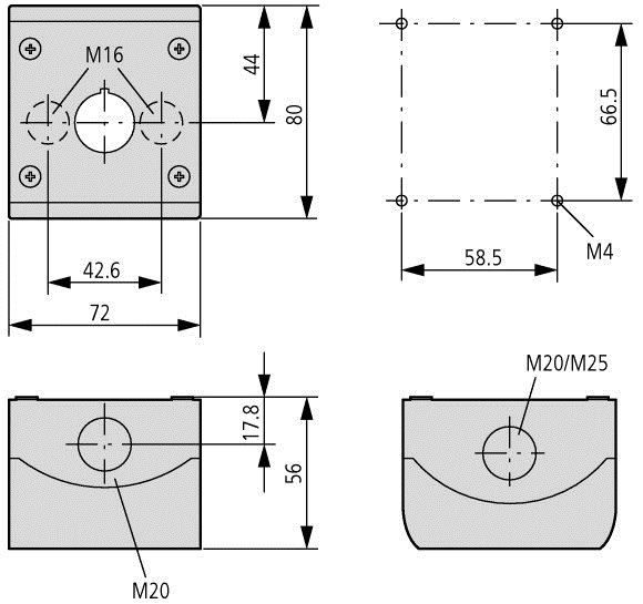
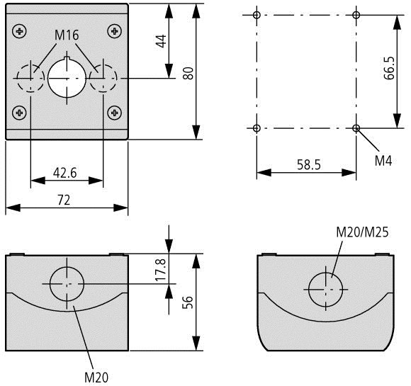
Larghezza:
82 mm
Altezza:
72 mm
Profondità:
74 mm
Custodia per il montaggio sporgente, Costruzione: materiale isolante, Con viti in acciaio di alta qualità, Numero di posizioni: 1, Ingresso cavo: posteriore: 2 x M16, nella parte superiore: 1 x M20, laterale: 2 x M20/M25 (1 x ciascun lato), Grado di protezione: IP66, IP67, IP69K, Valore colore RAL: RAL 7035, Colore: Base della custodia antracite, Collegamento a SmartWire-DT: no, Per utilizzo con: 1 x 22,5, Utilizzo con: Pulsanti (luminosi), Selettori (luminosi), Selettori a chiave, Indicatore luminoso, Pulsanti arresto controllato/arresto d&'92;emergenza con etichetta gialla
