pagina iniziale

ELCART DISTRIBUTION - ERT020007400 CA9PV10-470KA2020-SH

ELCART DISTRIBUTION
copiacopia

Accedi per visualizzare prezzi e disponibilità

Confezione

  • 250 PZ

EAN

8001021850355

Codice prodotto

ERT020007400

Cod. produttore

020007400

Produttore

ERT

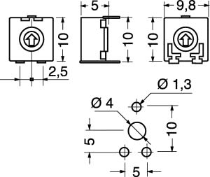
TRIMMER A STRATO DI CARBONE ACP 10x10 MONTAGGIO ORIZZONTALE REGOLAZIONE VERTICALE ROTORE CON TAGLIO PER CACCIAVITE. MAX POT. A 40°C:0,15 W. MAX TENS.:200 VCC. ANG. ROTAZIONE: 240° ± 5 °. TOLLERANZA:±20%. TEMP. LAV.:25°C ÷+70°C. CURVA:lineare. PASSO:5x10mm. CA9PV10-470KA2020.