ELCART DISTRIBUTION - ERT090125000 STRUM. FE. MO. C. 2,5 70X60 500 V

Accedi per visualizzare prezzi e disponibilità
Confezione
1 PZ
EAN
8029564095019
Codice prodotto
ERT090125000
Cod. produttore
090125000
Produttore
ERT
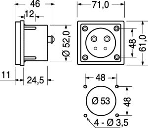
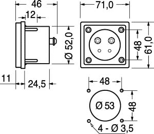
VOLTMETRI A FERRO MOBILE MISURE IN CA. Con dispositivo d'azzeramento. MATER.:resina trasp. antiurto. CLASSE:2,5. Port. V: 0 V ÷ 500 V ÷ 500 V.
