FINDER SPA - FIN07253 PORTAELETTRODO TRIPOLARE

Accedi per visualizzare prezzi e disponibilità
Confezione
1 PZ
Serie di prodotti
Serie 72
EAN
8012823300986
Codice prodotto
FIN07253
Cod. produttore
07253
Produttore
FIN
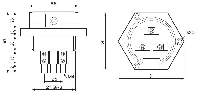
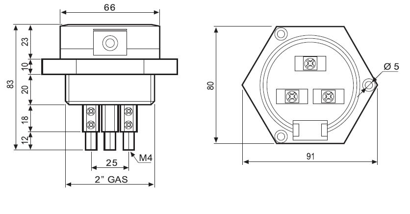
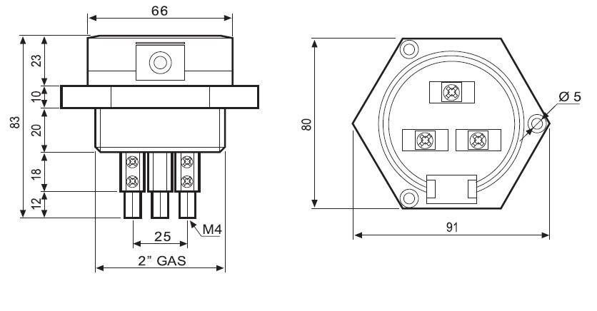
Portaelettodo tripolare. Temperatura massima del liquido 130° C. Materiale elettrodo Acciaio inossidabile (AISI 316L).
