FINDER SPA - FIN9002SMA ZOCCOLO MORSETTI BUSSOLA OCTAL 2P S.60

Accedi per visualizzare prezzi e disponibilità
Caratteristiche principali
Esecuzione del collegamento elettrico - Raccordo a vite
Tipo di montaggio - Guida DIN (top hat rail) 35 mm
Con morsetti amovibili - no
Integrazione funzionale possibile - sì
Numero di pin - 8
Confezione
1 PZ
Classificazione green
Serie di prodotti
Serie 90
EAN
8012823285528
Codice prodotto
FIN9002SMA
Cod. produttore
9002SMA
Produttore
FIN
Esecuzione del collegamento elettrico:
Raccordo a vite
Tipo di montaggio:
Guida DIN (top hat rail) 35 mm
Con morsetti amovibili:
no
Integrazione funzionale possibile:
sì
Numero di pin:
8
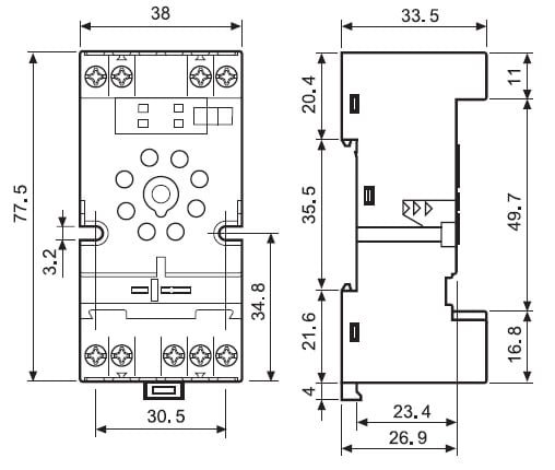
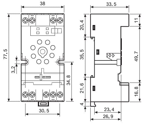
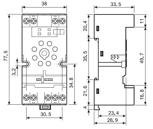
Larghezza:
38 mm
Altezza:
77.5 mm
Profondità:
80.1 mm
Zoccolo con morsetti a bussola Montaggio: barra cieca 35 mm (A): 10 Grado di protezione: IP 20 Accessori: Moduli di segnalazione e protezione EMC;pettine 6 poli;moduli temporizzatori;ponticello metallico

