FINDER SPA - FIN9003SMA ZOCCOLO MORSETTI A BUSSOLA UNDECAL 3P S.

Accedi per visualizzare prezzi e disponibilità
Caratteristiche principali
Esecuzione del collegamento elettrico - Raccordo a vite
Tipo di montaggio - Guida DIN (top hat rail) 35 mm
Con morsetti amovibili - no
Integrazione funzionale possibile - sì
Numero di pin - 11
Confezione
1 PZ
Classificazione green
Impronta di carbonio del prodotto
0,8 kg CO₂eq
EAN
8012823273792
Codice prodotto
FIN9003SMA
Cod. produttore
9003SMA
Produttore
FIN
Esecuzione del collegamento elettrico:
Raccordo a vite
Tipo di montaggio:
Guida DIN (top hat rail) 35 mm
Con morsetti amovibili:
no
Integrazione funzionale possibile:
sì
Numero di pin:
11
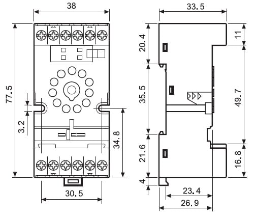
Larghezza:
38 mm
Altezza:
77.5 mm
Profondità:
80.1 mm
Zoccolo con morsetti a bussola. (A): 10 Grado di protezione: IP 20 Accessori: Moduli di segnalazione e protezione EMC;pettine 6 poli;moduli temporizzatori;ponticello metallico

Un prodotto FINDER SPA
Scopri la serie FINDER SPA