FINDER SPA - FIN9404SMA ZOCCOLO CON MORSETTI A BUSSOLA 4P S.55/8

Accedi per visualizzare prezzi e disponibilità
Caratteristiche principali
Esecuzione del collegamento elettrico - Raccordo a vite
Tipo di montaggio - Guida DIN (top hat rail) 35 mm
Con morsetti amovibili - no
Integrazione funzionale possibile - sì
Numero di pin - 14
Confezione
1 PZ
Classificazione green
Serie di prodotti
Serie 94
EAN
8012823115436
Codice prodotto
FIN9404SMA
Cod. produttore
9404SMA
Produttore
FIN
Esecuzione del collegamento elettrico:
Raccordo a vite
Tipo di montaggio:
Guida DIN (top hat rail) 35 mm
Con morsetti amovibili:
no
Integrazione funzionale possibile:
sì
Numero di pin:
14
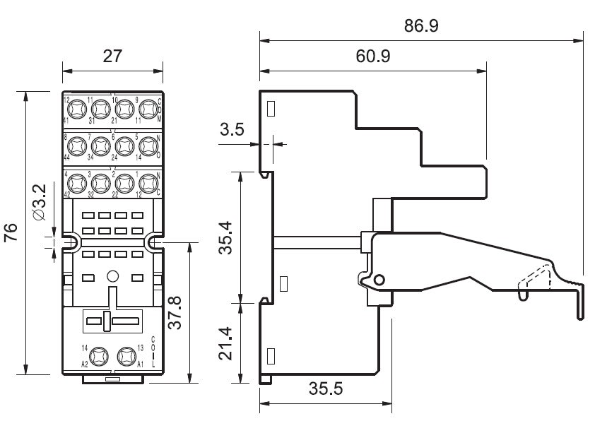
Larghezza:
27 mm
Altezza:
76 mm
Profondità:
70.3 mm
Zoccolo con morsetti a bussola Montaggio: barra cieca 35 mm (A): 10 Grado di protezione: IP 20 Accessori: Ponticello metallico o plastico;pettine 6 poli;moduli temporizzatori;moduli di segnalazione e protezione EMC

