FINDER SPA - FIN9503SPA ZOCCOLO CON MORSETTI BUSSOLA 1P S.40/41

Accedi per visualizzare prezzi e disponibilità
Caratteristiche principali
Tipo di collegamento elettrico - Connessione a vite
Metodo di montaggio - Guida DIN 35mm
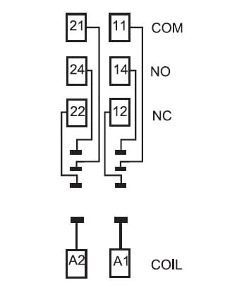
Numero di pin - 5
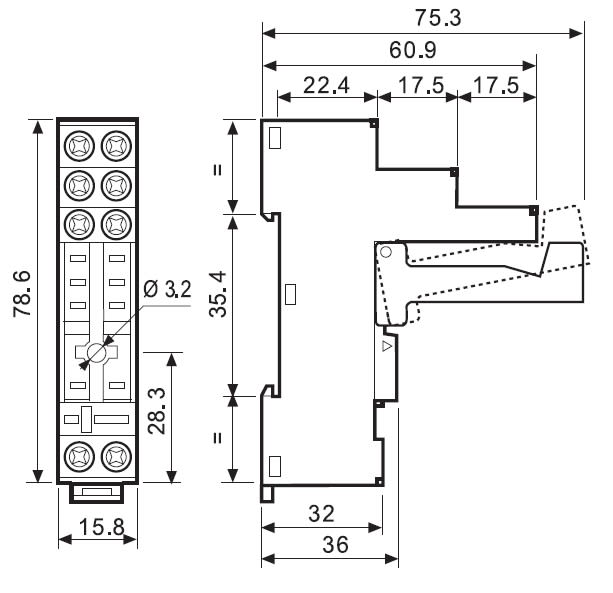
Larghezza - 15.8 mm
Altezza - 78.6 mm
Confezione
1 PZ
Serie di prodotti
EAN
8012823115443
Codice prodotto
FIN9503SPA
Cod. produttore
9503SPA
Produttore
FIN
Tipo di collegamento elettrico:
Connessione a vite
Metodo di montaggio:
Guida DIN 35mm
Numero di pin:
5
Larghezza:
15.8 mm
Altezza:
78.6 mm
Possibilità di integrare funzioni supplementari:
sì
Con morsetti estraibili:
no
Profondità:
71.8 mm
Zoccolo con morsetti a bussola Montaggio: barra cieca 35 mm (A): 10 Grado di protezione: IP 20 Accessori: Moduli di segnalazione e protezione EMC;pettine 8 poli;moduli temporizzatori;ponticello plastico

