FINDER SPA - FIN9503SPA ZOCCOLO CON MORSETTI BUSSOLA 1P S.40

Accedi per visualizzare prezzi e disponibilità
Caratteristiche principali
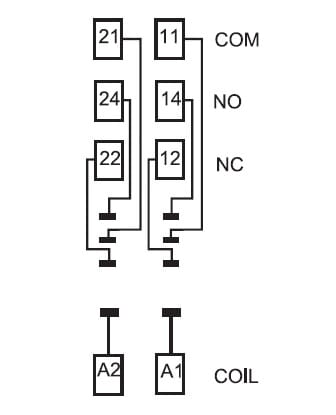
Esecuzione del collegamento elettrico - Raccordo a vite
Tipo di montaggio - Guida DIN (top hat rail) 35 mm
Con morsetti amovibili - no
Integrazione funzionale possibile - sì
Numero di pin - 5
Confezione
1 PZ
Serie di prodotti
EAN
8012823115443
Codice prodotto
FIN9503SPA
Cod. produttore
9503SPA
Produttore
FIN
Esecuzione del collegamento elettrico:
Raccordo a vite
Tipo di montaggio:
Guida DIN (top hat rail) 35 mm
Con morsetti amovibili:
no
Integrazione funzionale possibile:
sì
Numero di pin:
5
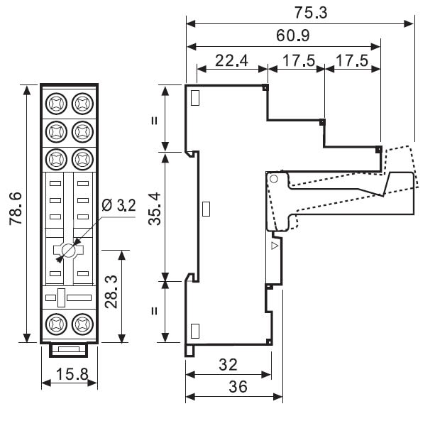
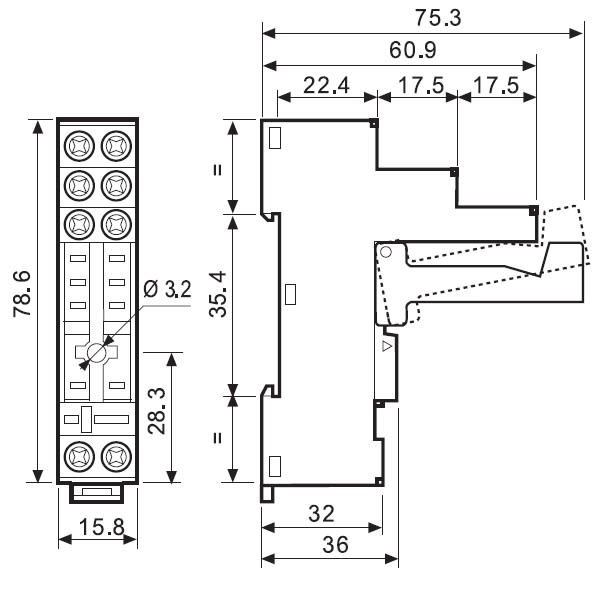
Larghezza:
15.8 mm
Altezza:
78.6 mm
Profondità:
71.8 mm
Zoccolo con morsetti a bussola Montaggio: barra cieca 35 mm (A): 10 Grado di protezione: IP 20 Accessori: Moduli di segnalazione e protezione EMC;pettine 8 poli;moduli temporizzatori;ponticello plastico

