ITALWEBER SPA - ITW1500606 FUS NH00C KOMBI GG 6A 500V

Accedi per visualizzare prezzi e disponibilità
Caratteristiche principali
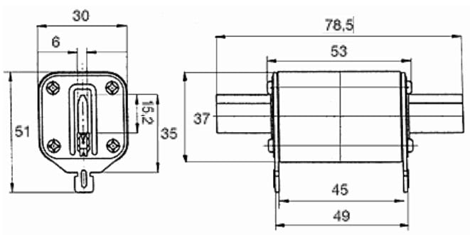
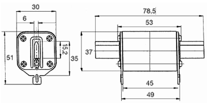
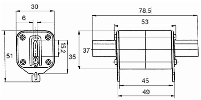
Tipo di costruzione del fusibile secondo IEC 60269 - NHC00
Corrente nominale - 6 A
Categoria di utilizzo - gG (protezione cavi/protezione apparecchiature)
Tipo di indicatore di stato del fusibile - Segnalatore di intervento centrale
Confezione
1 PZ
EAN
8024873090625
Codice prodotto
ITW1500606
Cod. produttore
1500606
Produttore
ITW
Tipo di costruzione del fusibile secondo IEC 60269:
NHC00
Corrente nominale:
6 A
Categoria di utilizzo:
gG (protezione cavi/protezione apparecchiature)
Tipo di indicatore di stato del fusibile:
Segnalatore di intervento centrale
Corpo in steatite ad alta resistenza termica e meccanica. Gli elementi fusibili di rame o rame argentato sono saldati alle lame di contatto, inseriti nel corpo fusibile chiuso con guarnizioni e placche di aggancio, il tutto è riempito con sabbia di quarzo. I fusibili NH Kombi sono dotati di doppio dispositivo di segnalazione intervento posto nella parte centrale e nella parte superiore. Potere di interruzione: 100/120kA. Fusibili NH kombi e NH/I 500V - Tipo gG. Grandezza : NH-00C
