ITALWEBER SPA - ITW1500650 FUS NH00C KOMBI GG 50A 500V

Accedi per visualizzare prezzi e disponibilità
Caratteristiche principali
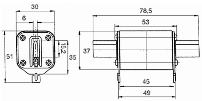
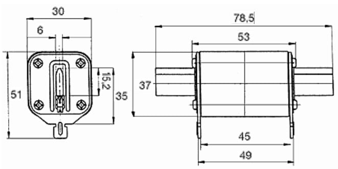
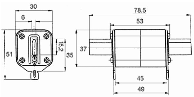
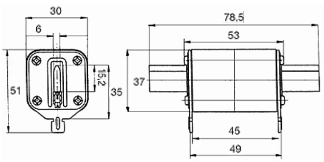
Tipo di costruzione del fusibile secondo IEC 60269 - NHC00
Corrente nominale - 50 A
Categoria di utilizzo - gG (protezione cavi/protezione apparecchiature)
Tipo di indicatore di stato del fusibile - Segnalatore di intervento combinato
Confezione
3 PZ
Serie di prodotti
EAN
8024873089742
Codice prodotto
ITW1500650
Cod. produttore
1500650
Produttore
ITW
Tipo di costruzione del fusibile secondo IEC 60269:
NHC00
Corrente nominale:
50 A
Categoria di utilizzo:
gG (protezione cavi/protezione apparecchiature)
Tipo di indicatore di stato del fusibile:
Segnalatore di intervento combinato
Corpo in steatite ad alta resistenza termica e meccanica. Gli elementi fusibili di rame o rame argentato sono saldati alle lame di contatto, inseriti nel corpo fusibile chiuso con guarnizioni e placche di aggancio, il tutto è riempito con sabbia di quarzo. I fusibili NH Kombi sono dotati di doppio dispositivo di segnalazione intervento posto nella parte centrale e nella parte superiore. Potere di interruzione: 100/120kA. Fusibili NH kombi e NH/I 500V - Tipo gG. Grandezza : NH-00C
