ITALWEBER SPA - ITW1530500 FUS NH3 KTF GG 500A 500V

Accedi per visualizzare prezzi e disponibilità
Caratteristiche principali
Tipo di costruzione del fusibile secondo IEC 60269 - NH3
Corrente nominale - 500 A
Categoria di utilizzo - gG (protezione cavi/protezione apparecchiature)
Tipo di indicatore di stato del fusibile - Altri
Confezione
1 PZ
Serie di prodotti
EAN
8024873051015
Codice prodotto
ITW1530500
Cod. produttore
1530500
Produttore
ITW
Tipo di costruzione del fusibile secondo IEC 60269:
NH3
Corrente nominale:
500 A
Categoria di utilizzo:
gG (protezione cavi/protezione apparecchiature)
Tipo di indicatore di stato del fusibile:
Altri
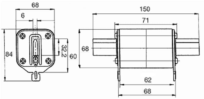
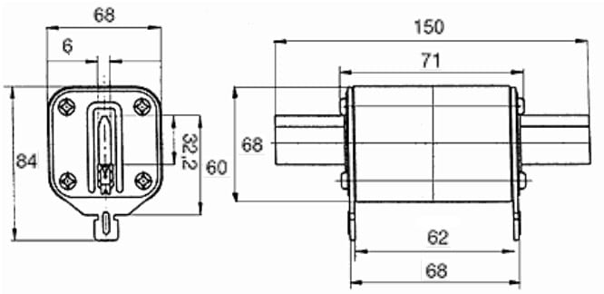
Corpo in steatite ad alta resistenza termica e meccanica. Gli elementi fusibili di rame o rame argentato sono saldati alle lame di contatto, inseriti nel corpo fusibile chiuso con guarnizioni e placche di aggancio, il tutto è riempito con sabbia di quarzo. I fusibili NH Kombi sono dotati di doppio dispositivo di segnalazione intervento posto nella parte centrale e nella parte superiore. Potere di interruzione: 100/120kA. Fusibili NH kombi e NH/I 500V - TIPO gG. Grandezza: NH-3
