ITALWEBER SPA - ITW1602050 FUS NH00C KTF AM 50A 690V

Accedi per visualizzare prezzi e disponibilità
Caratteristiche principali
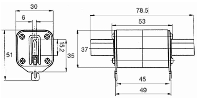
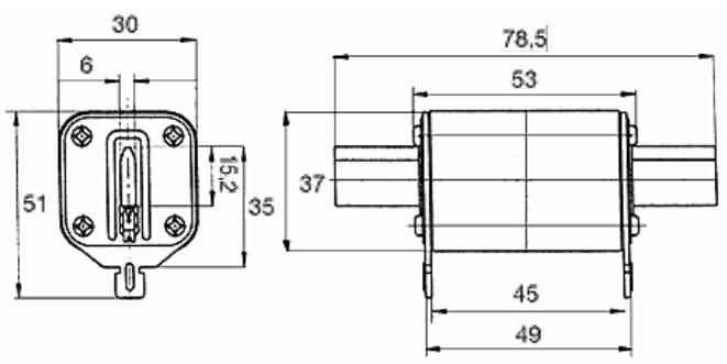
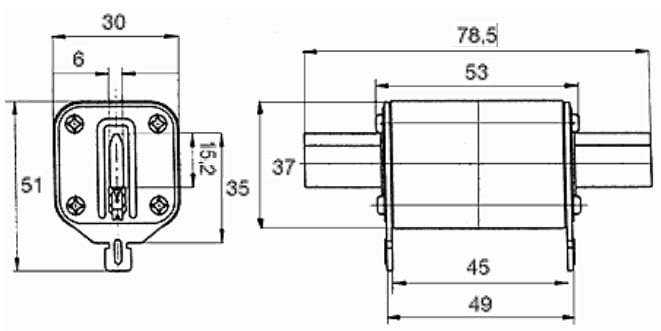
Tipo di costruzione del fusibile secondo IEC 60269 - NHC00
Corrente nominale - 50 A
Categoria di utilizzo - aM (Protezione motori contro il corto circuito)
Tipo di indicatore di stato del fusibile - Altri
Confezione
1 PZ
Serie di prodotti
EAN
8024873051756
Codice prodotto
ITW1602050
Cod. produttore
1602050
Produttore
ITW
Tipo di costruzione del fusibile secondo IEC 60269:
NHC00
Corrente nominale:
50 A
Categoria di utilizzo:
aM (Protezione motori contro il corto circuito)
Tipo di indicatore di stato del fusibile:
Altri
Corpo in steatite ad alta resistenza termica e meccanica. Gli elementi fusibili di rame o rame argentato sono saldati alle lame di contatto, inseriti nel corpo fusibile chiuso con guarnizioni e placche di aggancio, il tutto è riempito di sabbia di quarzo. I fusibili NH sono dotati di un dispositivo di segnalazione d’intervento posto nella parte superiore (tipo standard) o di un percussore (tipo CP). Potere di interruzione: 100/120kA. Fusibili NH, NH/CP E NH/MK - Tipo aM. Grandezza: NH-00C
