PHOENIX CONTACT - PHC2320128 QUINT-PS/24DC/48DC/ 5 DC/DC CONV.

Accedi per visualizzare prezzi e disponibilità
Confezione
1 PZ
EAN
4046356481908
Codice prodotto
PHC2320128
Cod. produttore
2320128
Produttore
PHC
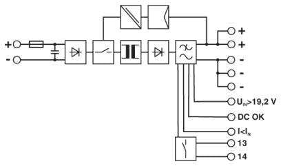
Tensione costante: aggiornamento della tensione di uscita anche all'estremità di linee lunghe. Consentono la conversione su diversi livelli di tensione. Isolamento galvanico: per la creazione di sistemi di alimentazione indipendenti.
