LOVATO - LOVLRE08RA240 MOD.ESPANS.RELE PROGRAM.4I/4O 240VAC

Accedi per visualizzare prezzi e disponibilità
Caratteristiche principali
Sostiene protocollo MODBUS - sì
Confezione
1 PZ
EAN
8013975148020
Codice prodotto
LOVLRE08RA240
Cod. produttore
LRE08RA240
Produttore
LOV
Sostiene protocollo MODBUS:
sì
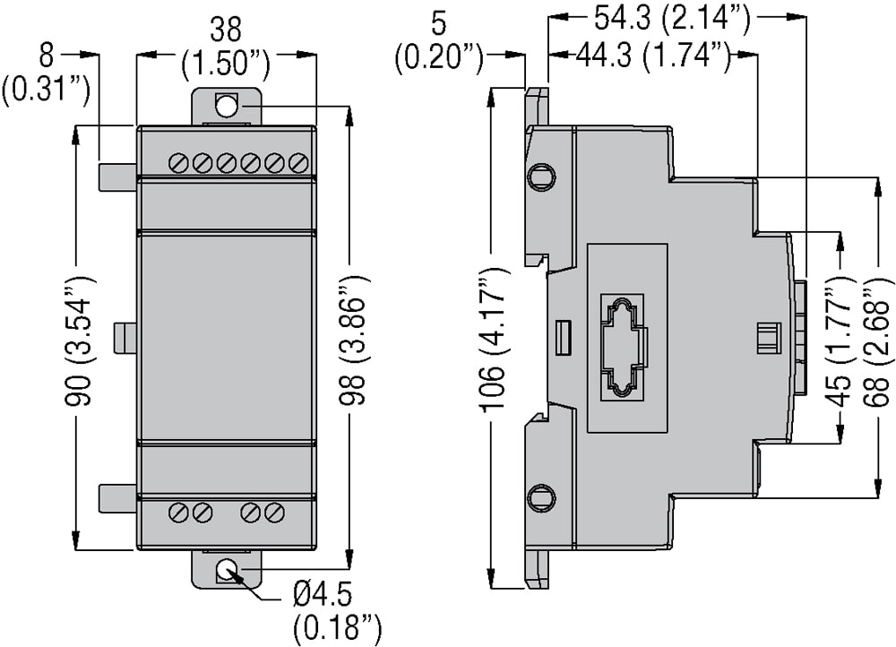
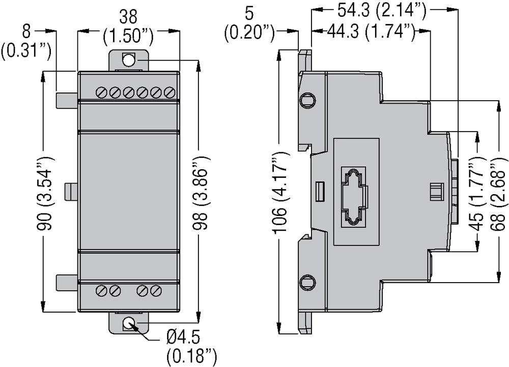
MODULO DI ESPANSIONE, TENSIONE DI ALIMENTAZIONE AUSILIARIA 100...240VAC, 4/4 A RELÈ
