OMRON - OMRD4BLK2-134706000 ACCESS. D4BL, CHIAVE VERTICALE

Accedi per visualizzare prezzi e disponibilità
Caratteristiche principali
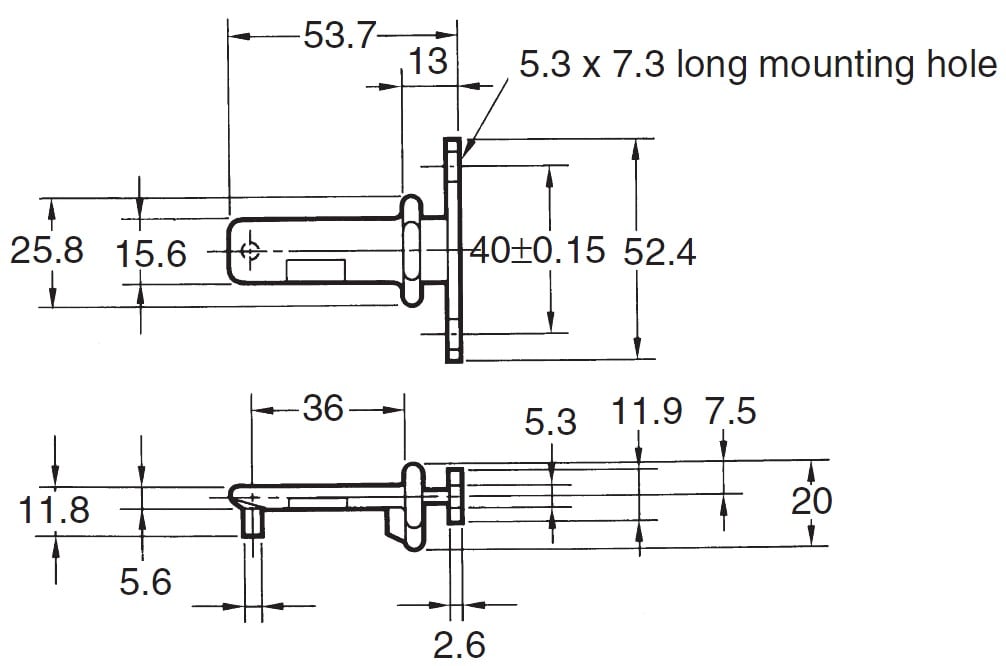
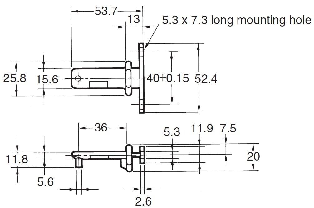
Tipologia - Attuatore con fissaggio verticale
Confezione
10 PZ
EAN
4536853204419
Codice prodotto
OMRD4BLK2-134706000
Cod. produttore
D4BLK2-134706000
Produttore
OMR
Tipologia:
Attuatore con fissaggio verticale
Chiave di azionamento per montaggio verticale per D4BL
