PHOENIX CONTACT - PHC2702763 GW DEVICE SERVER 2E/4DB9 GATEWAY

Accedi per visualizzare prezzi e disponibilità
Confezione
1 PZ
EAN
4055626339184
Codice prodotto
PHC2702763
Cod. produttore
2702763
Produttore
PHC
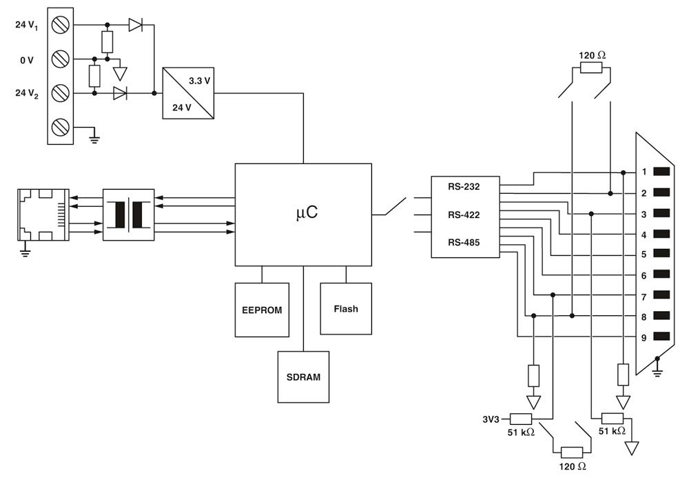
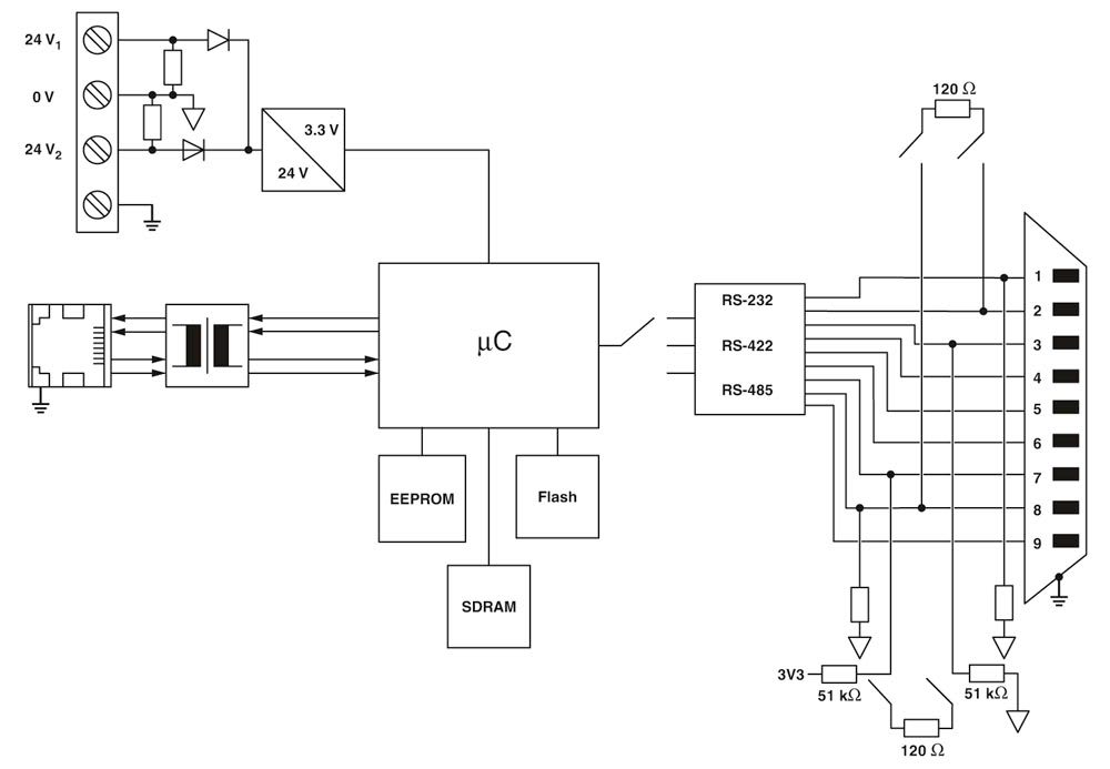
Server unità seriali per la conversione dei dati seriali (RS-232/422/485) in dati Ethernet (RJ45). Supporta i protocolli TCP e UDP. È possibile scaricare software di reindirizzamento COM Port e driver Windows. Comprende due connessioni RJ45 e quattro connessioni D-SUB a 9 poli.
