PHOENIX CONTACT - PHC2900298 PLC-RPT- 24DC/ 1IC/ACT MORSETTO BASE

Accedi per visualizzare prezzi e disponibilità
Caratteristiche principali
Esecuzione del collegamento elettrico - Altro
Apparecchio completo con base - sì
Con morsetti amovibili - no
Tensione di alimentazione pilota nominale per DC - 20.88...33.6 V
Tipo di tensione per l'azionamento - DC
Confezione
10 PZ
Classificazione green
EAN
4046356507370
Codice prodotto
PHC2900298
Cod. produttore
2900298
Produttore
PHC
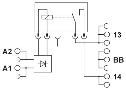
Esecuzione del collegamento elettrico:
Altro
Apparecchio completo con base:
sì
Con morsetti amovibili:
no
Tensione di alimentazione pilota nominale per DC:
20.88...33.6 V
Tipo di tensione per l'azionamento:
DC
Comportamento di commutazione dell'azionamento:
Monostabile
Numero contatti normalmente chiusi (NC):
0
Numero contatti normalmente aperti (NA):
1
Numero contatti di commutazione:
0
Tipo di contatto di commutazione:
Contatto singolo
Con contatti forzati:
no
Grado di protezione (IP):
IP20
Larghezza:
13.95 mm
Altezza:
80 mm
Profondità:
94 mm



