PHOENIX CONTACT - PHC2906815 TTC-6P-1X2-24DC-PT-I SPD SEGNALE

Accedi per visualizzare prezzi e disponibilità
Confezione
1 PZ
EAN
4055626135786
Codice prodotto
PHC2906815
Cod. produttore
2906815
Produttore
PHC
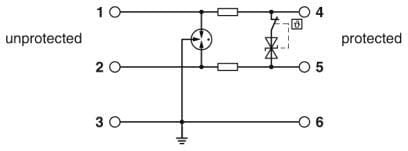
Installazione a ingombro ridotto grazie allo spessore compatto di soli 6,2 mm. Segnalazione senza energia ausiliaria aggiuntiva grazie all'indicatore di stato meccanico. Il modulo di alimentazione opzionale monitora fino a 40 articoli senza cablaggio aggiuntivo. Installazione rapida e senza utensili dei dispositivi di protezione contro le sovratensioni grazie alla connessione Push-in. Nessuna interferenza nel segnale durante le operazioni di manutenzione grazie all'inserzione ed estrazione a impedenza neutra. Sostituzioni senza errori delle spine di protezione grazie alla codifica. Comportamento sicuro in caso di sovraccarico grazie al dispositivo di separazione integrato.