PIZZATO ELETTRICA - PZZVF KEYD1 ATTUATORE PER SERIE FR FM FX FZ FK FW

Accedi per visualizzare prezzi e disponibilità
Confezione
1 PZ
Serie di prodotti
Serie VF
EAN
8018851154669
Codice prodotto
PZZVF KEYD1
Cod. produttore
VF KEYD1
Produttore
PZZ
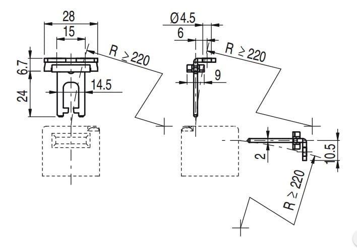
Attuatore per serie FR-FX-FK-FW. Azionatore piegato in acciaio inox
