PIZZATO ELETTRICA - PZZVF KEYD2 ATTUATORE PER SERIE FR FM FX FZ FK FW

Accedi per visualizzare prezzi e disponibilità
Confezione
1 PZ
Serie di prodotti
Serie VF
EAN
8018851154683
Codice prodotto
PZZVF KEYD2
Cod. produttore
VF KEYD2
Produttore
PZZ
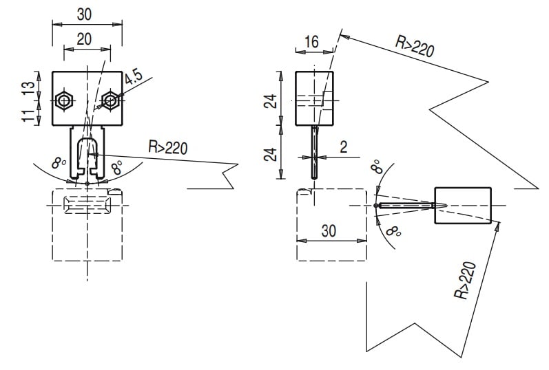
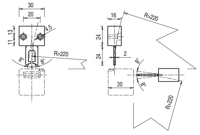
Attuatore per serie FR-FX-FK-FW. Azionatore snodato in acciaio inox. Azionatore che può oscillare nelle quattori direzioni per facilitare l'inserimento nell'interruttore quando lo sportello è disallineato.
