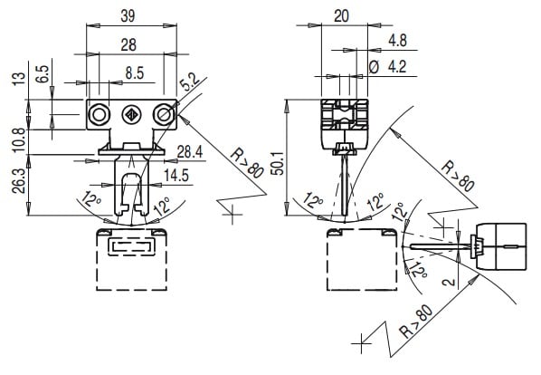
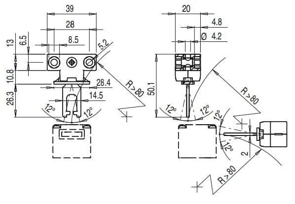
PIZZATO ELETTRICA - PZZVF KEYD8 ATTUATORE PER SERIE FR FM FX FZ FK FW

Accedi per visualizzare prezzi e disponibilità
Confezione
1 PZ
EAN
8018851136672
Codice prodotto
PZZVF KEYD8
Cod. produttore
VF KEYD8
Produttore
PZZ
Attuatore per serie FR-FX-FK-FW. Azionatore universale in acciaio inox. Azionatore fissabile in molteplici posizioni con possibilità di regolazione in due direzioni per sportelli di piccole dimensioni. Il blocchetto di fissaggio è dotato di due coppie difori ed è predisposto per poter ruotare di 90° il piani di lavoro dell'azionatore.
