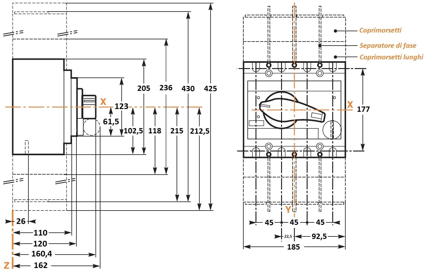
SCHNEIDER ELECTRIC - SNR31110 Interruttore / sezionatore Compact INS400 - 400 A - 3 poli

Accedi per visualizzare prezzi e disponibilità
Caratteristiche principali
Corrente ininterrotta nominale Iu - 400 A
Numero di poli - 3
Tipo di elemento di controllo - Manopola a leva lunga
Versione come interruttore di sicurezza - no
Idoneo per fissaggio a pavimento - sì
Confezione
1 PZ
Serie di prodotti
Compact INS
Vedi tutti i prodotti di questa serieEAN
3303430311102
Codice prodotto
SNR31110
Cod. produttore
31110
Produttore
SNR
Corrente ininterrotta nominale Iu:
400 A
Numero di poli:
3
Tipo di elemento di controllo:
Manopola a leva lunga
Versione come interruttore di sicurezza:
no
Idoneo per fissaggio a pavimento:
sì
Idoneo per montaggio su guida DIN:
no
Grado di protezione IP frontale:
IP40
Tensione di esercizio nominale massima Ue in AC:
690 V
Tipo di connessione al circuito di corrente principale:
Connessione a vite
Potenza di esercizio nominale in AC-23, 400 V:
200 kW
