SCHNEIDER ELECTRIC - SNRA9C30012 Relè passo-passo iTL 2NA 16A comando 12Vca/6Vcc

Accedi per visualizzare prezzi e disponibilità
Caratteristiche principali
Funzione - Interruttore meccanico
Numero di contatti NO - 2
Metodo di montaggio - Montaggio su guida DIN
Numero di contatti NC - 0
Corrente di commutazione nominale - 16 A
Confezione
1 PZ
Serie di prodotti
Terziario Industriale
Vedi tutti i prodotti di questa serieEAN
3606480091896
Codice prodotto
SNRA9C30012
Cod. produttore
A9C30012
Produttore
SNR
Funzione:
Interruttore meccanico
Numero di contatti NO:
2
Metodo di montaggio:
Montaggio su guida DIN
Numero di contatti NC:
0
Corrente di commutazione nominale:
16 A
Tensione di alimentazione:
24...250 V
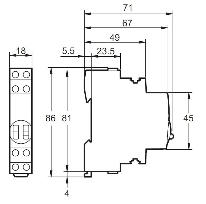
Larghezza in numero di moduli:
1
Profondità di incasso:
43.5 mm
Tipo di tensione di alimentazione:
AC
Numero di contatti di scambio:
0
Adatto per funzionamento manuale:
sì
Carico max. lampade a incandescenza:
1600 W
Tensione di comando 1:
12...12 V
Carico max. lampade fluorescenti:
1300 VA
Tipo di tensione di comando 1:
AC
Frequenza tensione di comando 1:
50...60 Hz
Tensione di comando 2:
6...6 V
Tipo di tensione di comando 2:
DC
Carico max. lampade fluorescenti (circuito bimodale):
2000 VA
Carico max. lampade fluorescenti (compensate in parallelo):
900 VA
Corrente di commutazione max. (cos phi= 0,6):
16 A
