SIEMENS - SIE3RP25051AB300AC1 T-REL. MULTI-F. 1CO. CONT. 24VACDC SCREW

Accedi per visualizzare prezzi e disponibilità
Caratteristiche principali
Innestabile su contattore - no
Intervallo di tempo - 0.05...360000 s
Confezione
1 PZ
EAN
4047621071688
Codice prodotto
SIE3RP25051AB300AC1
Cod. produttore
3RP25051AB300AC1
Produttore
SIE
Innestabile su contattore:
no
Intervallo di tempo:
0.05...360000 s
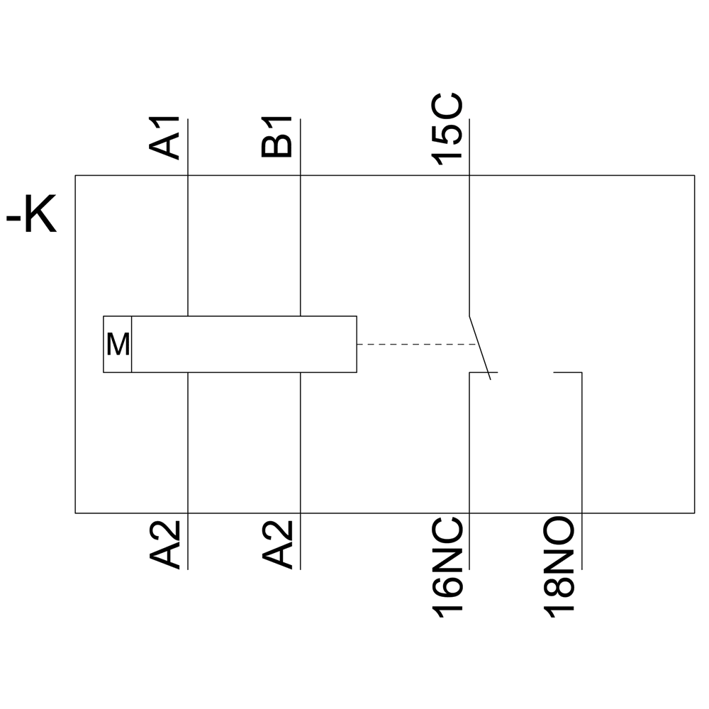
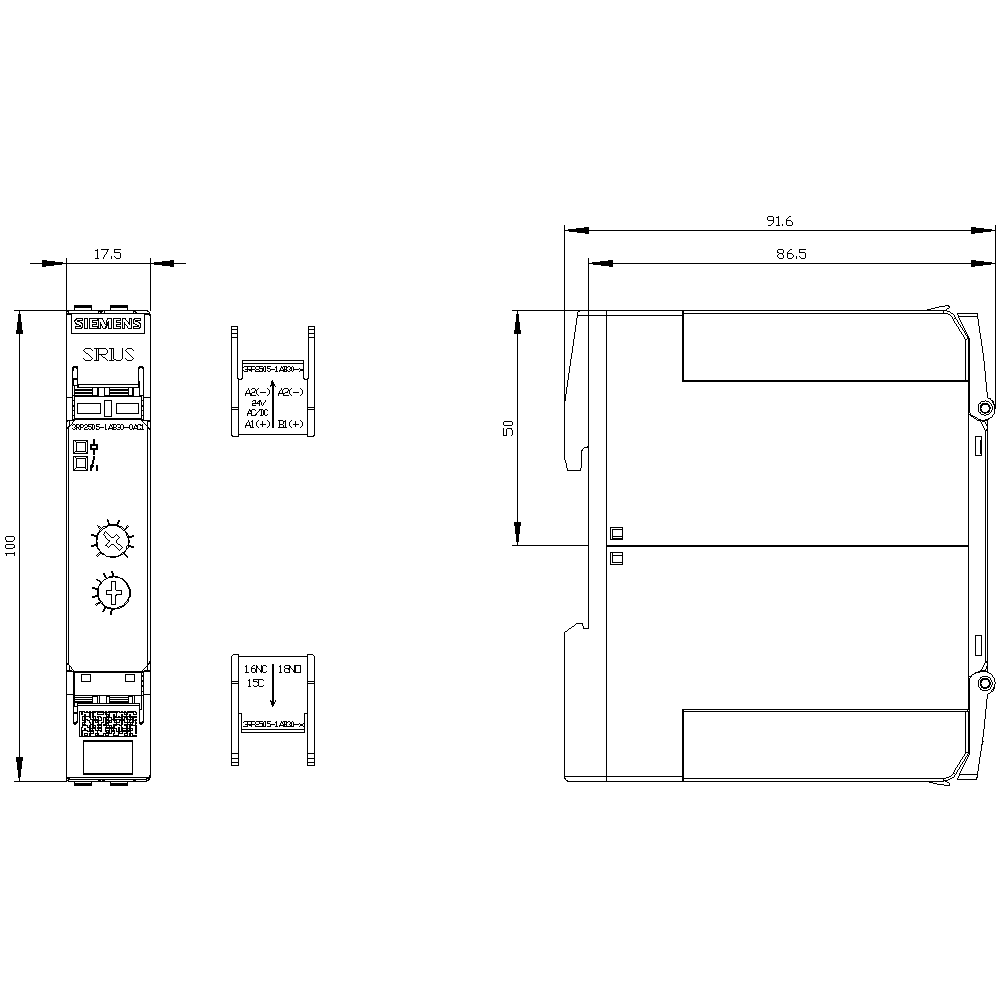
relè a tempo, multifunzione 1 contatto CO, 2 funzioni (B, K) 7 campi di temporizzazione (0,05 s...100 h) AC/DC 24 V a AC 50/60 Hz con LED, morsetti a vite relè a tempo SIRIUS 3RP25, 2 funzioni (B, K), per tutti i processi di commutazione ritardati in circuiti di comando, di avviamento, di protezione e di regolazione. Ampio campo dimpiego grazie a molteplici funzioni in ridottissimo spazio. Impiego universale grazie ad omologazioni internazionali e al campo di tensione wide-range. Linnovativo concetto di custodia in forma costruttiva industriale offre sportelli di copertura con dicitura, morsetti di collegamento rimovibili e molto altro ancora. Fornibili come relè a tempo monofunzione o multifunzione con uscita statica o come relè elettromeccanico con e senza guida forzata, rispettivamente con diverse tecniche di collegamento. Nella dotazione di fornitura sono già comprese pellicole adesive per la designazione delle funzioni. I relè a tempo 3RP25 sostituiscono la comprovata serie costruttiva 3RP15. Relè SIRIUS - un programma per ogni evenienza.






