WAGO ITALIA SRL - WAG226-101 MORSETTO PASSAPARETE MORSETTO SEZIONATOR

Accedi per visualizzare prezzi e disponibilità
Caratteristiche principali
Sezione conduttore collegabile a filo sottile senza bussola d'estremità - 0.08...4 mm²
Sezione conduttore collegabile a filo sottile con bussola d'estremità - 0.25...2.5 mm²
Sezione conduttore collegabile unifilare - 0.08...4 mm²
Sezione conduttore collegabile multifilare - 0.08...4 mm²
Corrente nominale In - 20 A
Confezione
200 PZ
EAN
2000002641360
Codice prodotto
WAG226-101
Cod. produttore
226-101
Produttore
WAG
Sezione conduttore collegabile a filo sottile senza bussola d'estremità:
0.08...4 mm²
Sezione conduttore collegabile a filo sottile con bussola d'estremità:
0.25...2.5 mm²
Sezione conduttore collegabile unifilare:
0.08...4 mm²
Sezione conduttore collegabile multifilare:
0.08...4 mm²
Corrente nominale In:
20 A
Tensione nominale:
320 V
Esecuzione collegamento elettrico 1:
Raccordo a molla
Esecuzione collegamento elettrico 2:
Raccordo a molla
Posizione di collegamento:
Laterale
Numero di poli:
1
Numero di punti di fissaggio per ogni polo:
1
Tipo di montaggio:
Altro
Materiale del corpo isolante:
Materiale termoplastico
Temperatura d'esercizio:
-60...105 °C
Classe di infiammabilità del materiale isolante secondo UL 94:
V0
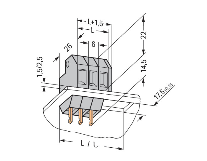
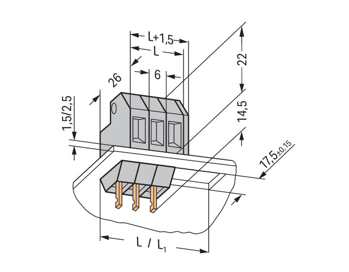
Larghezza/dimensione modulare:
6 mm
Esecuzione antideflagrante 'Ex e':
no
Piastra di chiusura necessaria:
sì
Colore:
Grigio
Con flangia passante integrata:
no
Spessore della piastra di montaggio:
1.5...2.5 mm
