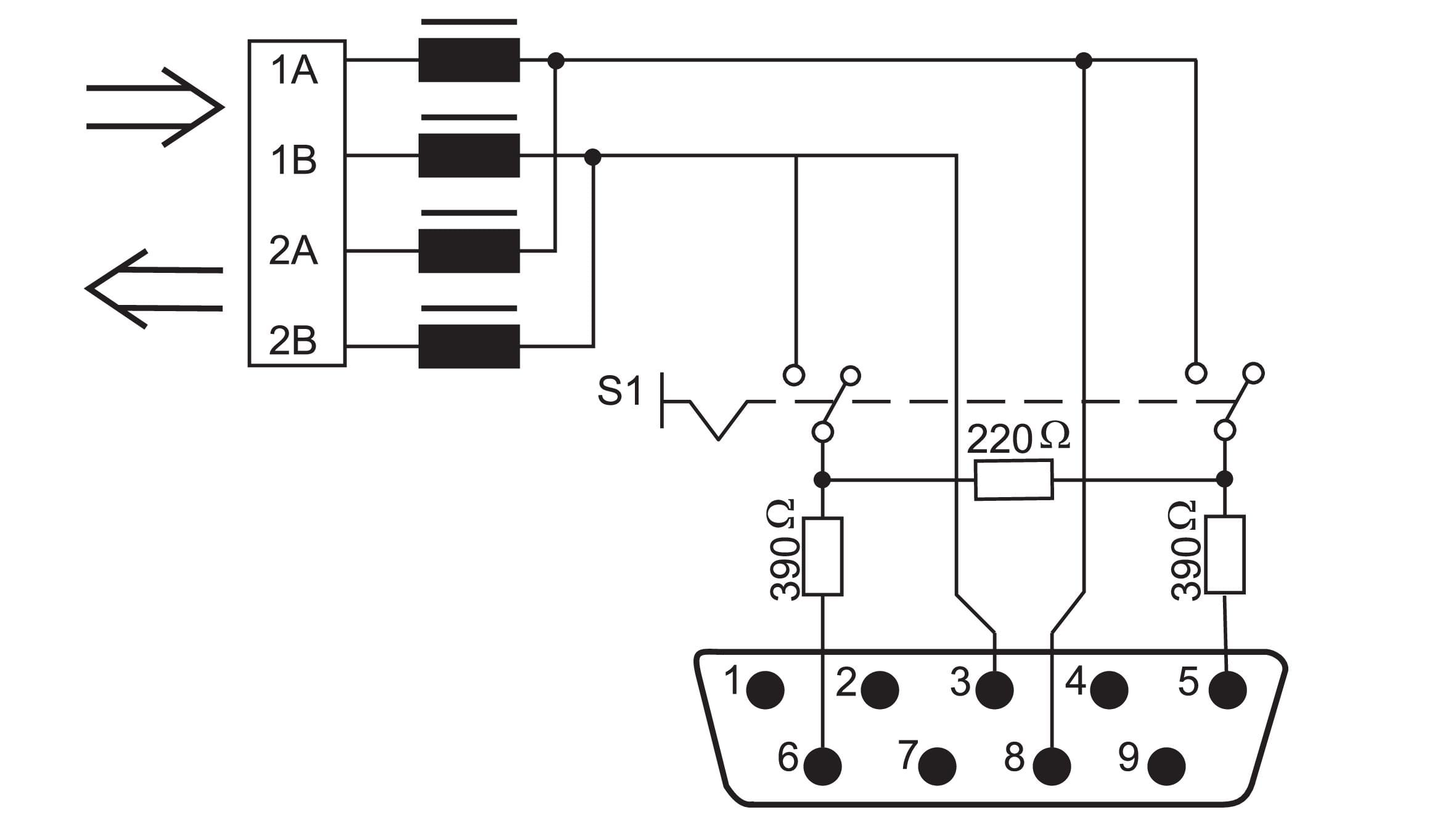
WAGO ITALIA SRL - WAG750-960 CONNETTORE PROFIBUS CON CONNETTORE MASCH

Accedi per visualizzare prezzi e disponibilità
Caratteristiche principali
Tipo di accessorio elettrico - Spina(maschio)
Tipo di accessorio meccanico - Altri
Confezione
1 PZ
EAN
4045454320157
Codice prodotto
WAG750-960
Cod. produttore
750-960
Produttore
WAG
Tipo di accessorio elettrico:
Spina(maschio)
Tipo di accessorio meccanico:
Altri
Una gamma completa di morsetti e accessori saranno la piattaforma ideale per le tue esigenze di connessione. I vantaggi: Ampia scelta e alte prestazioni per ogni tipo di applicazione; Massimo livello di sicurezza: omologazioni internazionali per tutti i settori industriali; Connessione a molla con tecnologia WAGO indipendente dall’operatore, grande tenuta alle vibrazioni e agli sbalzi termici, esente da manutenzione; Risparmio di tempo grazie alla rapidità nel cablaggio e nella messa in servizio.

