YAGEO TMSS ITALY SRL - TSIXCSPR751 INTERRUTTORE DI SICUREZZA A PERNO

Accedi per visualizzare prezzi e disponibilità
Caratteristiche principali
Con indicatore di stato - no
Adatto per funzioni di sicurezza - sì
Tipologia di azionamento - Onda completa
Numero contatti normalmente chiusi (NC) - 1
Numero contatti normalmente aperti (NA) - 1
Confezione
1 PZ
Serie di prodotti
Preventa XCS
EAN
3389110177084
Codice prodotto
TSIXCSPR751
Cod. produttore
XCSPR751
Produttore
TSI
Con indicatore di stato:
no
Adatto per funzioni di sicurezza:
sì
Tipologia di azionamento:
Onda completa
Numero contatti normalmente chiusi (NC):
1
Numero contatti normalmente aperti (NA):
1
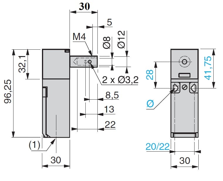
Esecuzione dell'organo di comando:
Organo di comando lento
Corrente d'esercizio nominale Ie per AC-15, 125 V:
6 A
Corrente d'esercizio nominale Ie per AC-15, 230 V:
3 A
Corrente d'esercizio nominale Ie per DC-13, 125 V:
0.55 A
Corrente d'esercizio nominale Ie per DC-13, 230 V:
0.27 A
Materiale del corpo:
Plastica
Rivestimento scatola:
Laccato
Esecuzione del collegamento elettrico:
Inserimento cavo PG
Categoria di protezione antideflagrante per gas:
Senza
Categoria di protezione antideflagrante per polvere:
Altro
Grado di protezione (IP):
IP67
