ZOTUP SRL - ZOT318009 S-F 1/48 POE+ SPD PER CABLAGGIO CAT 6A

Accedi per visualizzare prezzi e disponibilità
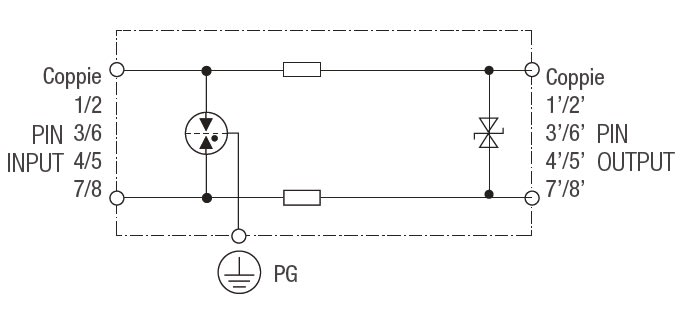
Caratteristiche principali
Tensione nominale DC - 48...48 V
C2 Corrente impulsiva nominale di scarica (8/20) - 1 kA
Tensione massima continuativa DC - 58 V
Corrente nominale di carico - 1 A
Livello di protezione filo conduttore/filo conduttore - 120 V
Confezione
1 PZ
EAN
8054890321433
Codice prodotto
ZOT318009
Cod. produttore
318009
Produttore
ZOT
Tensione nominale DC:
48...48 V
C2 Corrente impulsiva nominale di scarica (8/20):
1 kA
Tensione massima continuativa DC:
58 V
Corrente nominale di carico:
1 A
Livello di protezione filo conduttore/filo conduttore:
120 V
Livello di protezione filo-terra:
120 V
Livello di protezione Up (filo-terra):
120 V
Livello di protezione Up (filo-schermatura):
120 V
Frequenza:
500...500 MHz
Frequenza di taglio:
500 MHz
Metodo di montaggio:
Guida DIN 35mm
Collegamento 1:
RJ45
Con dispositivo di controllo (Pro-Active-Control):
no
Con contatto di segnalazione a distanza:
no
Segnalazione su apparecchio:
Nessuno
Versione antideflagrante:
no

